Dial indicator stand suitable for measuring small thicknesses. Entirely ground and treated base. Supplied without dial indicator.
      
            
      
      
      
              
    Special Application Supports
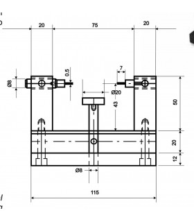
Benchtop thickness meter with dial indicator. Suitable for measuring thicknesses, grooves, external seatings and very small details. Complete with knife points and adjustable base. For different contact surfaces,...
      
            
      
      
      
              
    
Centring support, moveable, for test indicator.  8 mm diameter connector and 4 mm test indicator bore. Mounted on a machine tool, it helps to centre bores and cylindrical bodies. Supplied without test indicator.