Stativo porta comparatore adatto per la misurazione di piccoli spessori.Base di appoggio interamente rettificata e trattata.Fornito senza comparatore.
SCHEDA PDF
Stativi Supporti Per Applicazioni Speciali
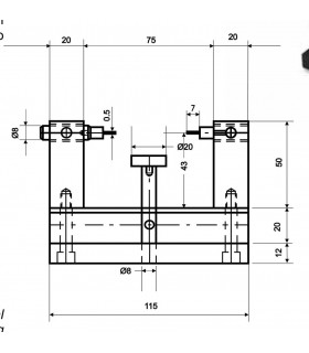
Supporto di centraggio con comparatore, adatto per la misurazione di spessori, canalini, sedi esterne e particolari di minuteria.Completo di tastatori a coltello e base d’appoggio regolabile.Per contatti diversi vedi...
Supporto di centraggio, orientabile nello spazio, per tastatori a leva sensibile.Attacco superiore da Ø 8 mm e foro per tastatore Ø 4 mm.Montato su macchina utensile è uno strumento che facilita il centraggio di fori...