High precision dial indicator with measurement to 0,001 mm with protective cap. Entirely shockproof. Moving parts are mounted on ball-bearings for sensitivity and a minimal response time. The upper button allows...
Dial Indicators
Entirely shockproof, high precision dial indicator with measurement to 0,001 mm. Ruby-mounted gear movements for absolute precision.Rotating bezel with tolerance markers.Manufactured as per DIN 879.Supplied in case.
Shockproof dial indicator with big dial. Robust metal housing and construction, assure the accuracy on all range. Insulated internal mechanism to avoid shocks. The bezel together with the outer dial can be rotated to...
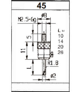
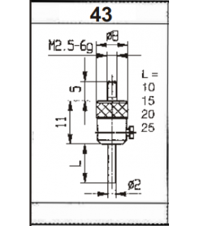
Setting tool instrument with one fixed and one mobile part.Acting on the mobile part with the tool, the dial indicator gives the measurement variation.Suitable for use on machine tools to check the exact length of the...
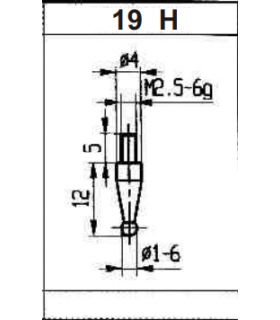
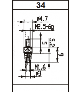
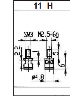
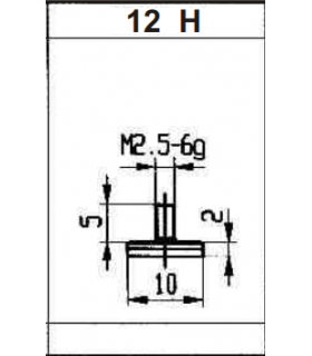
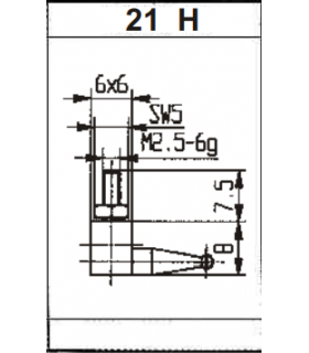
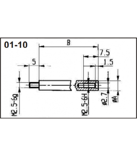
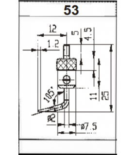
H= carbideR= rubyS= sapphireCode= hardened steel