Filtra per
Filtra per
Home
Tastatore a leva digitale ed analogico.Elettronica digitale Sylvac completa di uscita dati OPTO RS232 (consente il collegamento diretto a PC).Funzioni di “0” – conversione mm/inch – cambiamento di lettura – selezione...
>Attrezzo azzeratore utensili.E’ composto da una parte mobile e una fissa, agendo su quella mobile con l’utensile, si aziona il comparatore che dà la variazione di misura.Adatto su macchine utensili per verificare...
Attrezzo per il controllo di profondità. Base in acciaio inox amagnetico. Questa base, corredata di comparatore, permette di rilevare facilmente e rapidamente misure di profondità. Fornito di astuccio con comparatore...
Comparatore digitale serie officina.Display a cristalli liquidi con cifre aventi altezza 8,5 mm.Conversione mm/inch.Azzeramento in qualsiasi punto.Asta in acciaio inox temprato e rettificato.Tastatore intercambiabile...
Misuratore rapido per esterni.Consente la misurazione di diametri, spessori di pareti e cave esterne.Tastatori a forma di coltello.Movimento di trasmissione tramite filo d’acciaio che garantisce una misura esatta e...
Misuratore rapido per interni.Consente la misurazione di diametri, cave e gole interne.Movimento di trasmissione tramite filo d’acciaio che garantisce una misura esatta e durevole nel tempo.Fornito in astuccio.
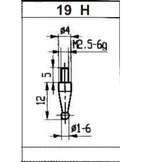
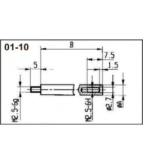
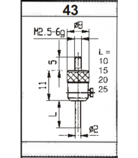
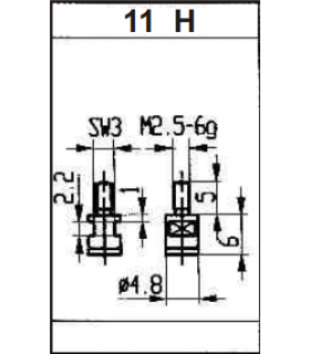
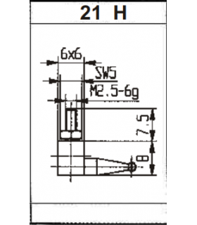
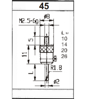
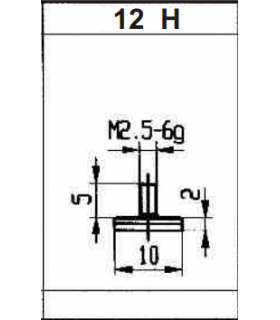
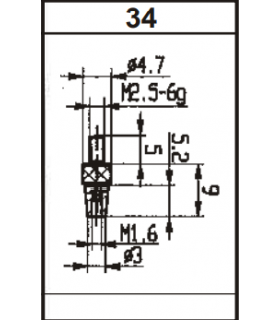
H= metallo duroR= rubinoS= zaffiro
Codice = acciaio temprato
Supporto di centraggio, orientabile nello spazio, per tastatori a leva sensibile.Attacco superiore da Ø 8 mm e foro per tastatore Ø 4 mm.Montato su macchina utensile è uno strumento che facilita il centraggio di fori...